18+ Hydraulic Power Pack Diagram

1M visitors in the past month. Hydraulic Kits Hydraulic Gear Pumps Hydraulic Hand Pumps.


Energies Free Full Text A Cost Effective Passive Active Hybrid Equalizer Circuit Design


Get Answer A Reaction Turbine Extracts Hydraulic Power From Water At 20 C Transtutors


Xld Brainpower Motor Controller Xunlida Page 3 Endless Sphere Motor Electric Bike Kits Electric Bicycle Kit


Hydraulic Power Packs With Adjustable Flow Non Reversible A R Peachment


Axi 5345 18 Hd Gold Line V2 Axi Model Motors S R O


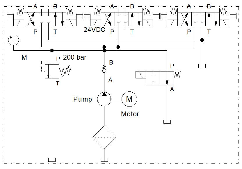
Hydraulic Circuits Mechanical Engineering Hydraulic Power Pack Circuit Drawing


Hydraulic Compact Power Pack 400vac Hn 3dw


Hydraulic Power Pack Hmagg Ac230v 1 5kw 8l 3 2 3v


Electric Hydraulic Power Pack


Kidzlabs Mega Hydraulic Arm Brightminds Uk


Hydraulic Power Pack Hmagg Ac400v 1 1kw 6l 2 6 3v


Hydraulic Power Pack This Ebook Answer You All Questions About Hydraulic Power Unit


Simplified Diagram Of Multipump Type Power Pack Unit Working In Open Download Scientific Diagram


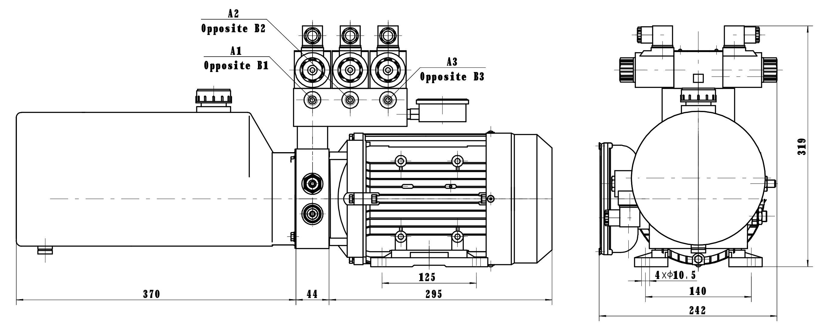
How To Wire Hydraulic Power Pack Power Unit Diagram Design


Ijerph Free Full Text Surveillance Of U S Corporate Filings Provides A Proactive Approach To Inform Tobacco Regulatory Research Strategy


Performance Steering Components Cylinder Assist Steering Package For D60 Axles For 18 Jeep Wrangler Jl Jlu 2 0l Non Etorque Sk689r20jp1 8 0w


Hydraulic Power Pack This Ebook Answer You All Questions About Hydraulic Power Unit


Circuit Diagram For Power Pack Download Scientific Diagram

Iklan Atas Artikel

Iklan Tengah Artikel 1

Iklan Tengah Artikel 2

Iklan Bawah Artikel